發布者:虹潤公司
一、摘要
虹潤三相綜合電量表是依據DB37/ T557-2005行業標準開發的產品,它是一款用于低壓配電系統的交流電量測量、顯示、控制、分析的綜合儀表。產品通過現場PT、CT變比取得數據經過內部整形電路轉換成相應的數值,經過內部運算(電流、電壓依次積分)取得所需要的交流需量,最終可實現交流電壓、電流、頻率、有功功率、無功功率、諧波含量、功率因數、有功、無功、視在電能工程值顯示。目前虹潤自主研發的虹潤NHR-3300系列三相綜合電量表在風力發電中主要應用于發動機組運行狀態電量參數的監測。
二、產品的市場背景
風力作為一種綠色環保新興能源一躍成為現代能源關注點,出于保護環境的考慮以及全球面臨的能源短缺現狀,風力發電在世界范圍內得到了快速發展。隨著風電行業的技術進步,風力發電成本逐步降低,在經濟性上已經能夠與核能發電、水力發電展開競爭。當前,我國面臨電力短缺局面,在煤電占主導地位的我國電力行業,因環境承載力限制以及各種因素導致的煤炭短缺局面,煤電發展受到制約。風能這種干凈的自然能源,沒有常規能源(煤電,油電)與核電會造成環境污染的問題。我國風能資源豐富,風能利用得到了政府的政策支持,風力發電產業面臨前所未有的發展機遇。
三、產品的主要技術原理
虹潤三相綜合電量表可外接電壓、電流互感器的標準信號或直接接入電流5A、電壓500V的交流信號,并通過專用DSP芯片定點處理,高速、高精度AD采集,多種接線方式可選,可同時測量單相電量系統、三相交流電流、三相交流電壓、三相有功功率、三相無功功率、三相視在功率、三相功率因數、工頻周波、三相有功電能、三相無功電能和三相總電能,并在型號上對每個功能做了明確的細分。輸出功能可選模擬量輸出、通訊輸出和累積脈沖輸出功能,配備RS232/485通訊接口,支持標準MODBUS RTU通訊協議,可組網實現數據的集中管理。
下面介紹一下主要參數的計算方法
? TRMS的算法
本產品所測試的參數均為真有效值(TRMS),依據數學公式1如下:

該測量原理適用于常見的各種工頻信號的測試,通過AD采樣可對包括正弦波、方波、三角波及各種異常波形進行分析。
? ∑的計算方法
∑的顯示數值與線制有關,其數值算法如下表所示:
各線制合計參數計算方法
| SYS | 3P3L | 3V3A | 3P4L |
| 線制方式 | 3相3線2元件 | 3相3線3元件 | 3相4線 |
| ∑V | (VA+VC)/2 | (VA+VB+VC)/3 | (VA+VB+VC)/3 |
| ∑I | (IA+IC)/2 | (IA+IB+IC)/3 | (IA+IB+IC)/3 |
| ∑P | PA+PC | PA+PB+PC | PA+PB+PC |
| ∑Q | QA+QC | QA+QB+QC | QA+QB+QC |
| ∑S | ![]() |
![]() |
SA+SB+SC |
| ∑PF | ∑P/∑S | ||
? 電量參數的校準方法
產品通過標準源輸出交流電流、電壓的真有校值、相位角度的偏差、有功功率等實現零點、滿度校準,校準后寫入EEPROM中保存。
? 三相電量綜合集中顯示儀表的在實際應用的接線方式
三相三線系統(3P3L 、無PT、CT)

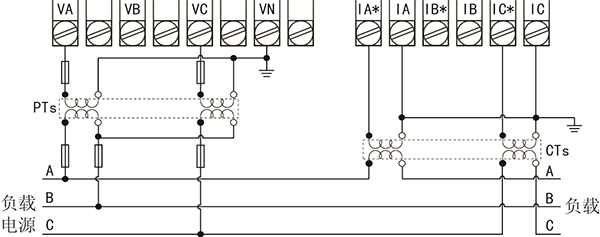
三相三線系統(3P3L、2PT、2CT)

三相四線系統(3P4L、無PT、CT)

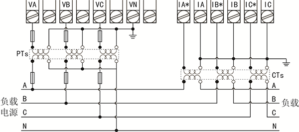
三相四線系統(3P4L、3PT、3CT)

備注:符號描述
| 符號 | 描述 | 符號 | 描述 |
| 保險絲 | 保護接地 | ||
![]() |
電壓互感器 | ![]() |
電流互感器 |
四、產品的應用
應用于風力發電的所有風電機組通過光纖以太網連接至主控室的上位機操作員站,實現整個風場的監控,上位機監控軟件具有如下功能:
? 系統具有友好的控制界面。在編制監控軟件時,充分考慮到風電場運行管理的要求,使用漢語菜單,操作簡單,盡可能為風電場的管理提供方便。
? 系統顯示各臺機組的運行數據。如每臺機組的瞬時發電功率、累計發電量、發電小時數、風輪及電機的轉速和風速、風向等,將下位機的數據調入上位機并在顯示器上顯示,必要時還可以用曲線或圖表的形式直觀地顯示出來。
? 系統顯示各風電機組的運行狀態,如開機、停車、調向、手/自動控制以及大/小發電機工作等情況,通過各風電機組的狀態了解整個風電場的運行情況。
? 系統能夠及時顯示各機組運行過程中發生的故障。在顯示故障時,能顯示出故障的類型及發生時間,以便運行人員及時處理及消除故障,保證風電機組的安全和持續運行。
? 系統能夠對風電機組實現集中控制。值班員在集中控制室內,只需對標明某種功能的相應鍵進行操作,就能對下位機進行改變設置狀態和對其實施控制。如開機、停機和左右調向等。該操作同時具有權限管理,以保證整個風電場的運行安全。
? 系統管理。監控軟件具有運行數據的定時打印和人工即時打印以及故障自動記錄的功能,以便隨時查看風電場運行狀況的歷史記錄情況。
機組運行過程中進行監測的相關參數包括:
? 電網參數,包括電網三相電壓、三相電流、電網頻率、功率因數等。電壓故障檢測:電網電壓閃變、過電壓、低電壓、電壓跌落、相序故障、三相不對稱等。
? 氣象參數,包括風速、風向、環境溫度等。
? 機組狀態參數檢測,包括:風輪轉速、發電機轉速、發電機線圈溫度、發電機前后軸承溫度、齒輪箱油溫度、齒輪箱前后軸承溫度、液壓系統油溫、油壓、油位、機艙振動、電纜紐轉、機艙溫度等。
? 主要監測設備:虹潤NHR-3300系列三相綜合電量表
? 產品圖示 :

主要負責監控機組運行的電量參數
產品圖片 :

? 輔助設備:
溫度傳感器HR-WZP、HR-WRN、轉速磁電傳感器、轉速表、數采模塊、報警裝置、虹潤八回路閃報警儀等。
1、主要對電機繞組的定子溫度、電機轉速實現監控
2、根據各繞組的測溫點輸出聲光報警
五、結束語
基于虹潤坤瑞監控組態軟件及電量集中控制儀而搭建的這個風電場各項監控、監測數據信息共享、交換、傳輸平臺,能夠滿足國家電力系統二次防護要求。在進行遠程數據采集和控制時,保證風電廠數據的實時性和可靠性。通過風能特性模型實時調整風能的最優性,能夠為生產廠商提供優質監控解決方案,為祖國風電綠色能源事業保駕護航。