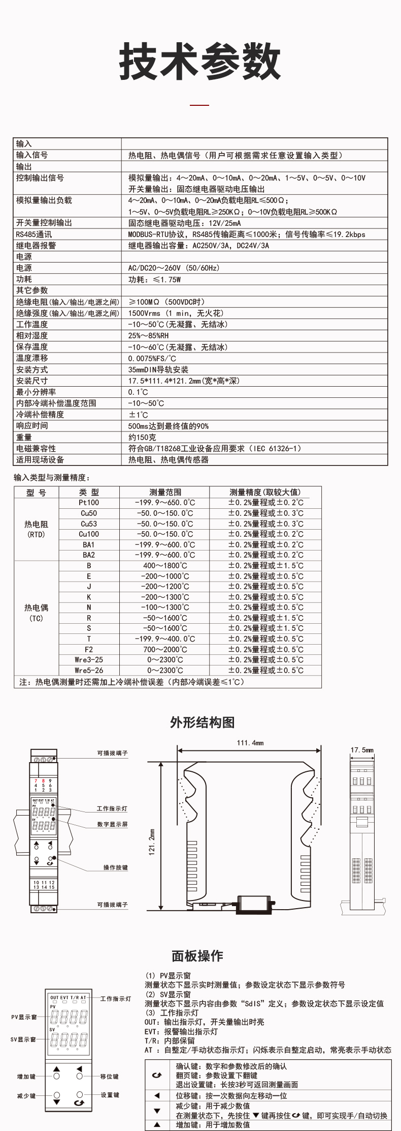
OHR-X35系列導軌式人工智能溫控器
虹潤公司是專業生產隔離器的國家專精特新“小巨人”企業。生產的智能信號隔離器涵蓋開關量轉換器、電流電壓變送器、溫度變送器、配電器、頻率轉換器及通訊轉換器等多種產品類型。產品獲得信號隔離器、一種二端子模塊、無源信號隔離器等3項國家發明專利,主持起草現場設備工具(FDT)接口規范、工業過程測量和控制系統用隔離式安全柵、工業過程測量和控制系統用配電器等3項國家標準,以及通信系統多通道數據采集控制終端規范軍用標準,參與國際5G標準制定,取得導軌式智能隔離器、頻率轉換器等3項相關軟件著作權。產品廣泛電力、冶金、工業電爐、變電站、高壓電機房等需要電隔離的工業自動化控制系統。















